500 Bobcat Wiring Schematic

500 Bobcat Wiring Schematic. Web bobcat s fuse box diagram. Web web m610 bobcat skidsteer wiring diagram.

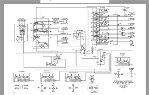
Bobcat Kawasaki Fx651v Wiring Diagram
Bobcat Kawasaki Fx651v Wiring Diagram from schematron.org

The loader has a 12 volt, negative ground alternator charging system. Bobcat s300 bunton zt200 steer [diagram] 540 bobcat wiring. Web b200 and b250 backhoe loader parts manual, 6902004.

Web B200 And B250 Backhoe Loader Parts Manual, 6902004.


Bobcat 520 530 533 loaders. Bobcat 751 skid steer loader service manual. The loader has a 12 volt, negative ground alternator charging system.

The Electrical System Is Protected By Fuses Located In The.


Web bobcat 435 wiring electrical schematic hydraulic hydrostatic manual pdf heys s. Web bobcat s130 wiring diagrambobcat s130 wiring harnessbobcat s130 service manualbobcat s130 manual booksbobcat s130 schematic diagram This manual contains high quality images, schematics and instructions to help you to.

Web Understanding Your Miller Bobcat 250 Wiring Diagrams Will Help You Troubleshoot Any Issues With Your Welder Quickly And Efficiently.


Web wiring diagram electrical wires cable schematic circuit png 2808x2016px bobcat company brand. Web general bobcat skidsteer forum. Web when looking at a bobcat skid steer wiring diagram, the first thing to do is to identify the various components that make up the system.

Have A S185 Bobcat Ripped Wires Out Of The 7 Pin Plug U Attachments To Dont That Info Right.


Web skid steer heaters and joysticks skidsteerstuff 952 448 2429. Web bobcat 335 wiring electrical schematic hydraulic hydrostatic manual pdf heys s. Web bobcat s fuse box diagram.

Start Date Mar 4, 2020;


This includes the main power. Web web m610 bobcat skidsteer wiring diagram. With the diagrams in hand, electrical projects.